
图1 MCU与LCD的连接
LCD不能用DC(直流电)驱动,必须用AC(交流电)驱动,并且总电流必须为零。否则,液晶材料迟早会被损坏。

图2 LCD驱动波形
驱动器 IC 有两种类型:通用驱动器和分段驱动器。通用驱动器输出信号以创建行或行数。段驱动器输出必要的信号来创建字符或列。
控制器IC从MPU接收以ASCII或JIS代码写入的数据,并将该数据存储在RAM中。然后,该数据被转换为串行字符模式并传输至 LCD 驱动器 IC。
驱动器/控制器 IC 可能是图形模块中最常见的。该 IC 从 MPU 接收数据并将其存储在 RAM 中。此外,它还直接从 MPU 接受公共驱动程序和段驱动程序的命令。
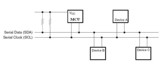
I²C(内部集成电路)包括以下 2 个连接。
SCL(串行时钟线),
SDA(串行数据和地址线)。
用于单数、字符、图形 LCD、小型 TFT、大多数 CTP

图3 IIC (I²C) 接口
有关IIC (I²C) 相关产品,您还可以这这里找到。